1. Informació de seguretat
Read and understand all safety warnings and instructions before operating this engine. Failure to do so can result in serious injury or death.
Precaucions generals de seguretat
- Always operate the engine in a well-ventilated area to prevent carbon monoxide poisoning. Carbon monoxide is a colorless, odorless gas that can be fatal.
- Keep children and pets away from the engine during operation.
- Do not refuel the engine while it is running or hot. Allow the engine to cool down before adding fuel.
- Emmagatzemeu el combustible en un recipient homologat en una zona ben ventilada i allunyat de fonts d'ignició.
- Wear appropriate personal protective equipment (PPE) such as safety glasses, gloves, and hearing protection.
- Ensure all guards and covers are in place before starting the engine.
- Never operate the engine if it is damaged or improperly maintained.
Warning Labels on Engine
Pay close attention to the warning labels affixed to the engine. These provide critical safety information.

Imatge 1.1: Davant-esquerra view of the Loncin LC192F engine. Note the yellow warning label on the fuel tank indicating exhaust emissions and the need for good ventilation, and the label on the air filter cover regarding maintenance.

Imatge 1.2: Costat esquerre view of the Loncin LC192F engine, showing the air filter assembly and a warning label on the fuel tank. This label warns against fuel spills or leaks and emphasizes stopping the engine before refueling.
2. Producte acabatview
The Loncin LC192F is a robust single-cylinder, four-stroke gasoline engine designed for various applications requiring reliable power. It features air cooling and a power output of 18 HP (13.4 kW). With a 6.5-liter fuel tank, it can operate for approximately 1.5 hours on a single fill. This engine is known for its ease of maintenance, reliability, and low noise and smoke emissions. It is commonly used as a replacement engine for motor hoes, scythe mowers, vibratory plates, and go-karts, provided the crankshaft dimensions match.
Característiques clau
- Alt rendiment: 18 HP (13.4 kW) at 3600 rpm.
- Efficient Fuel System: 6.5-liter fuel tank for extended operation.
- Air-Cooled: Ensures consistent performance and durability.
- Baixes emissions: Designed for reduced smoke and noise.
- Standardized Crankshaft: Direct output under the keyway groove for broad compatibility.
- Enhanced Air Filtration: Equipped with an enlarged filter for superior air cleaning.
3. Components i controls
Familiarize yourself with the main components and controls of your Loncin LC192F engine.

Imatge 3.1: Davant-esquerra view of the Loncin LC192F engine. Key components include the fuel tank (top), air filter housing (left), recoil starter (front), and engine block.

Imatge 3.2: Davant-dreta view of the Loncin LC192F engine, highlighting the crankshaft output shaft (bottom right) and the oil fill cap (yellow, bottom center).

Imatge 3.3: Primer pla view showing the yellow oil fill cap/dipstick and the black oil drain plug on the engine crankcase.
4. Configuració
Before starting the engine, ensure it is properly prepared for operation.
4.1 Muntatge del motor
- Mount the engine securely to a stable, level surface using appropriate bolts and hardware.
- Ensure there is adequate clearance around the engine for ventilation and maintenance access.
- Connect any necessary drive components (e.g., belts, shafts) to the crankshaft output.
4.2 Afegir oli de motor
- Col·loqueu el motor sobre una superfície plana.
- Remove the yellow oil fill cap/dipstick (refer to Image 3.3).
- Add approximately 1.1 liters of recommended 4-stroke engine oil (e.g., SAE 10W-30) into the crankcase. Do not overfill.
- Check the oil level using the dipstick. The oil should be between the minimum and maximum marks.
- Torneu a col·locar el tap d'ompliment d'oli de manera segura.
4.3 Afegir combustible
- Assegureu-vos que el motor estigui apagat i fred.
- Obriu el tap del dipòsit de combustible.
- Fill the fuel tank with fresh, unleaded gasoline. The tank capacity is 6.5 liters.
- Do not overfill. Leave some space for fuel expansion.
- Tanqueu bé el tap del dipòsit de combustible. Netegeu immediatament qualsevol vessament de combustible.
5. Instruccions de funcionament
Follow these steps to safely start and operate your Loncin LC192F engine.
5.1 Comprovacions prèvies a l'inici
- Comproveu el nivell d'oli del motor.
- Comproveu el nivell de combustible.
- Assegureu-vos que el filtre d'aire estigui net i instal·lat correctament.
- Comproveu que totes les connexions siguin segures.
5.2 Starting the Engine (Recoil Start)
- Gireu la vàlvula de combustible a la posició "ON".
- Moveu la palanca de l'estrangulador a la posició "CHOKE" (si el motor està fred).
- Moveu la palanca de l'accelerador a la posició "RÀPID".
- Grasp the recoil starter handle firmly. Pull slowly until resistance is felt, then pull quickly and smoothly to start the engine.
- Un cop el motor s'hagi engegat, moveu gradualment la palanca de l'estrangulador a la posició "RUN" a mesura que el motor s'escalfa.
- Adjust the throttle to the desired operating speed.
5.3 Parar el motor
- Moveu la palanca de l'accelerador a la posició "SLOW" o "IDLE".
- Gireu l'interruptor del motor a la posició "OFF".
- Turn the fuel valve to the "OFF" position to prevent fuel leakage.
6. Manteniment
Regular maintenance is crucial for the longevity and optimal performance of your Loncin LC192F engine.
6.1 Programa de manteniment
| Item | Cada ús | Cada 25 hores / Mensualment | Cada 100 hores / Anualment |
|---|---|---|---|
| Comproveu el nivell d'oli del motor | ✓ | ||
| Filtre d'aire net | ✓ | ||
| Canviar l'oli del motor | ✓ | ||
| Comproveu la bugia | ✓ | ||
| Inspeccioneu el filtre de combustible | ✓ |
6.2 Manteniment del filtre d'aire
The engine is equipped with an enlarged air filter for superior air cleaning. Regular cleaning is essential.
- Traieu la coberta del filtre d'aire.
- Remove the foam and paper filter elements.
- Clean the foam element with warm, soapy water, rinse thoroughly, and allow to air dry completely. Lightly oil the foam element with engine oil and squeeze out excess.
- Tap the paper element gently to remove loose dirt. Replace if heavily soiled or damaged.
- Reinstall the filter elements and cover.
6.3 Canvi d'oli
- Run the engine for a few minutes to warm the oil, then stop it.
- Place a suitable container under the oil drain plug (refer to Image 3.3).
- Traieu el tap de drenatge d'oli i el tap/vareta de nivell d'oli per permetre que l'oli s'escorri completament.
- Torneu a instal·lar el tap de drenatge d'oli de manera segura.
- Refill with 1.1 liters of recommended 4-stroke engine oil (e.g., SAE 10W-30).
- Check the oil level and replace the fill cap.
7. Solució De Problemes
Aquesta secció ofereix solucions a problemes operatius comuns.
El motor no arrenca
- Sense combustible: Check fuel level and ensure the fuel valve is open.
- Old Fuel: Buidar el combustible vell i omplir amb gasolina nova.
- Posició d'estrangulació: Ensure choke is in the correct position for starting (closed for cold, open for warm).
- Bujía: Check spark plug for fouling or damage. Clean or replace if necessary.
- Interruptor del motor: Assegureu-vos que l'interruptor del motor estigui a la posició "ON".
El motor funciona malament / Li falta potència
- Filtre d'aire: A dirty air filter can restrict airflow. Clean or replace it.
- Bujía: Inspect the spark plug. A fouled or incorrectly gapped plug can cause misfires.
- Qualitat del combustible: Use fresh, clean gasoline.
- Problemes amb el carburador: Si els problemes persisteixen, és possible que un tècnic qualificat necessiti netejar o ajustar el carburador.
8. Especificacions
Detailed technical specifications for the Loncin LC192F engine.
| Especificació | Valor |
|---|---|
| Model | Loncin LC192F |
| Tipus | EURO 5, OHV, Single-cylinder, 4-stroke, Forced Air Cooling |
| Desplaçament | 459 cm³ |
| Diàmetre × Carrera | 92 × 69 mm |
| Potència màxima del motor | 13.4 kW / 18 HP / 3600 rpm |
| Nominal Engine Power | 12.4 kW / 3600 rpm |
| Màx. Parell | 31 Nm / 2500 rpm |
| Diàmetre de l'eix | 25 mm (keyway groove) |
| Volum del dipòsit de combustible | 6.5 L |
| Volum d'oli de motor | 1.1 L |
| Sistema d'arrencada | Arrancador de retrocés |
| Dimensions (L×W×H) | 472 × 439 × 440 mm |
| Pes net | 32 kg |
| Dimensions del paquet | 53 x 53 x 45 cm |
| Pes del paquet | 35 kg |
| GTIN | 4260614710351 |
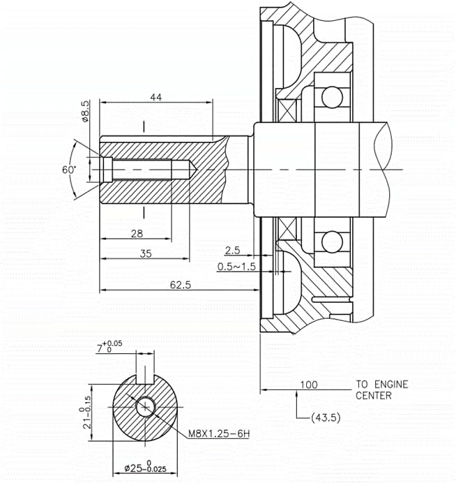
Dibuixos dimensionals
Refer to the following diagrams for detailed engine and crankshaft dimensions.

Imatge 8.1: Technical drawing illustrating the overall dimensions of the Loncin LC192F engine from various views.

Imatge 8.2: Technical drawing detailing the dimensions of the crankshaft, including shaft diameter (25mm) and keyway specifications.
9. Garantia i Suport
Your Loncin LC192F engine comes with a warranty to ensure your peace of mind.
Informació de la garantia
Aquest producte està cobert per a 2 any de garantia from the date of purchase. This warranty covers manufacturing defects and material faults under normal use and service. Please retain your proof of purchase for warranty claims.
Atenció al client
For technical assistance, spare parts, or warranty claims, please contact your authorized Loncin dealer or the point of purchase. Ensure you have your engine model number (LC192F) and serial number available when contacting support.