1. Introducció
Gràcies per triar la pica de granit sintètic Franke Maris MRG 651. Aquest manual proporciona informació essencial per a la instal·lació segura, el funcionament correcte i el manteniment eficaç de la seva nova pica de cuina. Llegiu atentament aquestes instruccions abans de la instal·lació i conserveu-les per a futures consultes.

Imatge 1: De dalt a baix view de la pica Franke Maris MRG 651, mostraasing el seu acabat de granit sintètic negre, un bol principal gran i un bol auxiliar més petit amb escorredors integrats.
2. Informació de seguretat
Observeu sempre les següents precaucions de seguretat per evitar lesions o danys al producte:
- La instal·lació ha de ser realitzada per un professional qualificat per garantir un segellat i unes connexions de fontaneria correctes.
- Utilitzeu l'equip de protecció individual adequat (per exemple, guants, ulleres de seguretat) durant la instal·lació.
- Assegureu-vos que totes les connexions de fontaneria estiguin ben segudes i sense fuites abans d'utilitzar-les regularment.
- No col·loqueu objectes excessivament calents directament a l'aigüera sense protecció, ja que els canvis extrems de temperatura poden causar danys.
- Eviteu utilitzar netejadors abrasius o productes químics agressius que puguin danyar la superfície de la pica.
3. Contingut del paquet
Verifiqueu que tots els components siguin presents i no estiguin danyats abans de començar la instal·lació:
- Aigüera Franke Maris MRG 651 de granit sintètic
- Components del conjunt de drenatge (filtres, juntes, canonades)
- Clips/ferramentes de muntatge per a la instal·lació a la encimera
- Plantilla d'instal·lació (pot estar inclosa o impresa des del fabricant) weblloc)
Nota: Les aixetes i les canonades de fontaneria normalment es venen per separat.
4. Configuració i instal·lació
La pica Franke Maris MRG 651 està dissenyada per a la instal·lació a la encimera. Les mesures precises i un segellat adequat són crucials per a una instal·lació reeixida. Es recomana molt la instal·lació professional.
4.1. Preparació
- Review Dimensions: Examineu acuradament el diagrama de dimensions proporcionat per assegurar-vos que la pica s'adapta a l'espai del vostre armari i taulell.
- Crea un retall: Feu servir la plantilla proporcionada (si en teniu) o les dimensions exactes del diagrama per marcar i tallar l'obertura al taulell. Assegureu-vos que les vores siguin llises i netes.
- Zona neta: Assegureu-vos que la superfície del taulell al voltant del retall estigui neta, seca i lliure de residus.

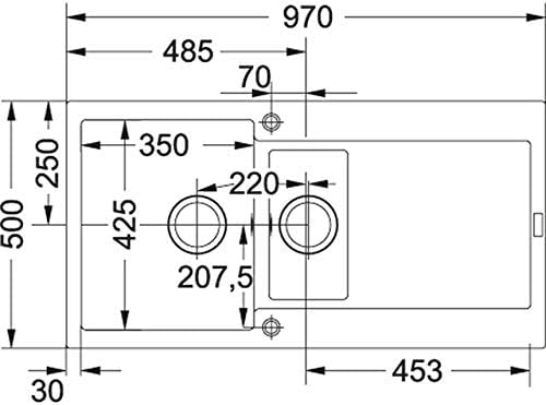
Imatge 2: Diagrama tècnic que il·lustra les dimensions precises (en mil·límetres) de la pica Franke Maris MRG 651, incloent-hi la longitud total (970 mm), l'amplada (500 mm), les mides de la pica i les especificacions de retall per a la instal·lació.
4.2. Passos d'instal·lació
- Aplicar segellador: Apliqueu un cordó continu de segellador de silicona al voltant del perímetre del retall de la pica a la part inferior de la brida de la pica.
- Posició del lavabo: Baixeu amb cura la pica al retall del taulell, assegurant-vos que estigui correctament alineada.
- Aigüera segura: Fixeu els clips de muntatge a la part inferior de la pica i estrenyeu-los contra el taulell per fixar la pica fermament al seu lloc. No els estrenyeu massa.
- Instal·leu els conjunts de drenatge: Instal·leu els filtres de desguàs i els components de fontaneria associats a les tasses de l'aigüera segons les instruccions del fabricant del kit de desguàs. Assegureu-vos que totes les juntes estiguin correctament col·locades per evitar fuites.
- Connecteu la fontaneria: Connecteu els tubs de desguàs de la pica a la xarxa de fontaneria de la vostra llar. Connecteu l'aixeta (si escau) a les línies de subministrament d'aigua.
- Prova de fuites: Obriu el subministrament d'aigua i ompliu les tasses de la pica. Comproveu si hi ha fuites a totes les connexions. Deixeu córrer aigua pels desguassos per assegurar-vos un drenatge correcte i comproveu si hi ha fuites al conjunt del desguàs.
- Netegeu l'excés de segellador: Traieu qualsevol segellador de silicona sobrant de la vora de la pica immediatament després de la instal·lació.
5. Funcionament (ús)
La pica Franke Maris MRG 651 està dissenyada per a les tasques diàries de la cuina. El seu material de granit sintètic ofereix durabilitat i resistència a les ratllades i els impactes.
- Feu servir el bol principal per a tasques de rentat més grans i el bol auxiliar per a articles més petits o per a la preparació d'aliments.
- Feu servir sempre una taula de tallar per tallar per protegir la superfície de la pica.
- Eviteu abocar aigua bullent directament a l'aigüera sense deixar córrer aigua freda alhora, sobretot si l'aigüera està freda.
6. Manteniment i Neteja
Una neteja regular ajudarà a mantenir l'aspecte i la longevitat de la pica Franke Maris.
6.1. Neteja diària
- Netegeu la pica amb un drap suau o una esponja i sabó suau per a plats després de cada ús.
- Esbandir bé amb aigua neta per eliminar tots els residus de sabó.
- Asseca la pica amb un drap suau per evitar taques d'aigua i acumulació de minerals, especialment en zones amb aigua dura.
6.2. Eliminació de taques
- Per a taques difícils, feu servir un netejador líquid no abrasiu dissenyat específicament per a lavabos de granit sintètic o material compost.
- Apliqueu el netejador, deixeu-lo actuar uns minuts (segons les instruccions del netejador) i després fregueu suaument amb un raspall suau o una esponja.
- Rentar bé i assecar.
6.3. Què cal evitar
- Netejadors abrasius: No utilitzeu llana d'acer, fregalls abrasius ni pols de neteja abrasius, ja que poden ratllar la superfície.
- Substàncies químiques dures: Eviteu àcids forts, àlcalis, netejadors de desguassos, removedors de pintura o netejadors de forns. En cas de contacte, esbandiu immediatament i a fons.
- Calor extrema: Tot i que el granit sintètic és resistent a la calor, l'exposició prolongada a olles o paelles extremadament calentes pot causar danys. Feu servir sempre un salvamanteles o protecció contra la calor.
7. Solució De Problemes
Aquí teniu solucions a problemes comuns que podeu trobar:
| Problema | Causa possible | Solució |
|---|---|---|
| Drenatge lent | Desguàs o sifó en P obstruït. | Traieu i netegeu el filtre de desguàs. Si cal, buideu el sifó en P. Eviteu els netejadors químics de desguàs si és possible. |
| Fuites al voltant del desguàs o de les canonades | Connexions soltes o juntes desgastades. | Estrenyeu les connexions. Inspeccioneu i substituïu les juntes desgastades si cal. Assegureu-vos de l'aplicació correcta de massilla o segellador de lampista. |
| Taques d'aigua o acumulació de minerals | Residus d'aigua dura. | Netegeu la pica després de cada ús. Per a les acumulacions existents, utilitzeu una solució de vinagre diluïda (1 part de vinagre per 3 parts d'aigua), deixeu-la reposar breument i després fregueu i esbandiu. |
| Aspecte superficial mat | Residus acumulats o manca d'una neteja adequada. | Feu una neteja a fons tal com es descriu a la secció 6. Penseu en l'ús d'un potenciador o poliment especialitzat per a aigüeres de granit sintètic. |
8. Especificacions
Especificacions tècniques clau de la pica Franke Maris MRG 651:
| Característica | Especificació |
|---|---|
| Marca | Franke |
| Número de model | MARIS |
| Material | Granit sintètic |
| Tipus d'instal·lació | Taulell (Arbeitsplatte) |
| Tipus d'acabat | Polit |
| Forma | Rectangular |
| Tipus de drenatge | Quadrícula |
| Dimensions del producte (total) | 38.19 x 7.87 x 19.69 polzades (aprox. 970 x 500 x 200 mm) |
| Pes de l'article | 36.5 lliures |
| Nombre de peces | 2 (Components de la pica i del desguàs) |
| GTIN (Número d'Identificació Comercial Global) | 07612980451517 |
9. Garantia i Suport
Els productes Franke es fabriquen amb estàndards d'alta qualitat. Els termes i condicions específiques de la garantia normalment es proporcionen amb la documentació de compra o es poden trobar a la pàgina oficial de Franke. weblloc web. Si us plau, conserveu el comprovant de compra per a qualsevol reclamació de garantia.
Per a assistència tècnica, recanvis o consultes sobre garantia, poseu-vos en contacte amb el vostre distribuïdor o visiteu el lloc web oficial de Franke. weblloc web per obtenir informació de contacte del servei d'atenció al client.
Franke Oficial Weblloc: www.franke.com





