Màquina de rem BOTORRO RSPRO

LLISTA DE PECES

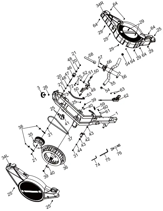
| NO. 1 | NOM
Marc principal |
ESPECIAL. |
1 |
| 2 | Estabilitzador frontal | 1 | |
| 3 | Coixí coixí | 5 | |
| 4 | Coberta decorativa E/D | 1/1 | |
| 5
6 7 8 9 10 |
Tub de muntatge del monitor Monitor
Placa de fixació del monitor Pedal de suport per a tauleta E/D Carril lliscant |
1
1 1 1 1/1 1 |
|
| 11 | Estabilitzador posterior | 1 | |
| 12 | Tub PIUQ | 1 | |
| 13 | Placa de fixació | 1 | |
| 14
15 16 17 18 19 |
Seient
Marc de muntatge de rodets Placa de fixació de coberta decorativa amb roda de transport Ronda Cargol de capçal hexagonal |
M8″40 |
1
1 1 1 2 2 |
| 20 | Rentadora plana | 27 | |
| 21 | Femella de niló | M8 | 10 |
| 22 | Cargol hexagonal de cap rodó | M8*16 | 17 |
| 23
24 25 26 27 |
Arc Rentadora
Endoll de tub Rosca autoperforant Philips de cap pla Cargol hexagonal de cap rodó |
8•20·1 s
ST5″16 M10 M6″15 |
2
4 15 5 1 |
| 28 | Rentadora plana | 6 ″ 17 ″ 1.5 |
1 |
| 29 | Endoll de tub | 7 | |
| 30 | Buixa | 2 | |
| 31 | Cargol de cap pla | M5″15 | 5 |
| 32
33
36 |
Ronda Cap Hexàgon Socket Cargol Cargol hexagonal de cap rodó Portada Esquerra
Caixa de molles helicoïdals Volant |
M8″70 M12″140 | 1
4 1/1 1 1 |
| Corretja de Transmissió | 1 | ||
| 38 | Subjecció | 2 |
| NO. | NOM | ESPECIAL. | CANT. |
| 39 | Femella de brida | ||
| 40 | Placa de fixació | ||
| 41 | Suport de fixació | 5 | |
| 42 | Suport de fixació | 1/1 | |
| 43 | Buixa | ||
| 44 | Rentadora plana | ||
| 45 | Fil de dades | ||
| 46 | Politja de cinta | ||
| 47 | Eix de la politja | 1/1 | |
| 48 | màniga | ||
| 49 | Suport de nansa | ||
| 50 | Placa de fixació | ||
| 51 | Coberta Decorativa | ||
| 52 | Cargol Philips de capçal pla | ||
| 53 | Suport del sensor | ||
| 54 | Endoll de tub | ||
| 55 | Mànec | 1 | |
| 56 | Coberta Decorativa | 2 | |
| 57 | Cargol autoroscant de cap rodona | Ma*40 | 2 |
| 58 | Cinta | *17*1.5 |
27 |
| 59 | Molla de tensió | M8 | 10 |
| 60 | Cargol hexagonal extern | Ma*15 | 17 |
| 61 | Nou | *20·1 .5 |
2 |
| 62 | Palanca de resistència | 4 | |
| 63 | Cargol Philips avellanat | ST5•15 | 15 |
| 64 | Cargol autoperforant Philips de cap rodó | M10 | 5 |
| 65 | Cargol parcialment roscat amb hexàgon extern | M6*15 | |
| 66 | Folre | q,6•1r1.5 | |
| 67 | Coixinet | 7 | |
| 68 | Folre | 2 | |
| 69 | Rodet del seient superior | M5*15 | 5 |
| 70 | Rodet de seient inferior | M8.70 | |
| 71 | Cargol hexagonal | M12 *140 | 4 |
| 72 | Cable del sensor A | 1/1 | |
| 73 | Cable del sensor B | ||
| 74 | Clau Allen | ||
| 75 | Clau Allen | ||
| 76 | Clau de punta oberta | 2 |
PRECAUCIONS IMPORTANTS
CONSERVEU AQUEST MANUAL PER A FUTURES REFERÈNCIES
- És important llegir atentament tot aquest manual abans de muntar i utilitzar el rem. Es pot assegurar que aquest equipament es fa servir de manera segura i eficient només si es munta, es manté i s'utilitza correctament. És la vostra responsabilitat assegurar-vos que tots els usuaris de l'equip estiguin informats de totes les advertències i precaucions.
- Abans d'iniciar qualsevol programa d'exercicis, si us plau, consulteu el vostre metge per determinar si teniu alguna condició física o de salut que pugui suposar un risc per a la vostra salut i seguretat, o si us impedeix utilitzar aquest equip. El consell del vostre metge és essencial si preneu medicaments sobre la freqüència cardíaca, la pressió arterial o el colesterol.
- Estigueu atents als senyals del vostre cos. L'exercici incorrecte o excessiu pot danyar la vostra salut. Deixeu de fer exercici alhora si experimenta algun dels següents símptomes: dolor, opressió al pit, batecs cardíacs irregulars, dificultat per respirar extrema, sensació de mareig, marejos o nàusees. Si heu experimentat algun d'aquests símptomes, consulteu el vostre metge abans de continuar amb el vostre programa d'exercicis.
- Mantenir els nens i les mascotes lluny de l'equip. L'equip només s'utilitza per a adults.
- Col·loqueu el rem en un terreny sòlid i pla quan l'utilitzeu, també podeu considerar utilitzar una estora d'exercici sota la màquina per protegir el vostre terra o catifa. Per seguretat, l'equip ha de tenir almenys 0.5 metres d'espai lliure al seu voltant.
- Assegureu-vos que totes les femelles i els cargols estiguin ben ajustats abans d'utilitzar aquest equip. L'ús segur de l'equip només es pot mantenir si s'examina regularment per detectar danys o desgast.
- Utilitzeu sempre l'equip tal com s'indica. Si us plau, deixeu d'utilitzar-lo immediatament, si trobeu algun component defectuós durant el muntatge o la comprovació de l'equip, o escolteu qualsevol soroll anormal de l'equip durant l'ús. No utilitzeu l'equip fins que s'hagi solucionat el problema.
- Utilitzeu roba esportiva adequada quan utilitzeu l'equip. Eviteu portar roba solta que es pugui enganxar a l'equip o pot restringir el moviment per continuar amb normalitat.
- Aquesta màquina només s'utilitza per a interiors.
- L'equip no és aplicable a la teràpia.
- Cal anar amb compte en aixecar i moure l'equip. Utilitzeu sempre la tècnica d'aixecament adequada i busqueu ajuda si cal.
- Comproveu periòdicament la integritat de les proteccions i els dispositius de seguretat.
ESQUEMA GENERAL

KIT D'EINES

INSTRUCCIÓ DE MUNTATGE
PAS 1
- Munteu la roda de transport (núm. 18) a l'estabilitzador davanter (núm. 2) amb 2 cargols de capçal rodó amb hexàgon (núm. 19), volanderes planes (núm. 20) i femelles de niló (núm. 21).
- Munteu 2 coixins (núm. 3) a l'estabilitzador davanter (núm. 2) i 1 coixí al marc principal (núm. 1).
- Munteu l'estabilitzador frontal (núm. 2) al marc principal (núm. 1) amb 3 cargols de capçal rodó amb hexagonal forat (núm. 22), 2 volanderes arquejades (núm. 23) i 1 volandera plana (núm. 20).

PAS 2
- Munteu la roda de transport (núm. 18) a l'estabilitzador davanter (núm. 2) amb 2 cargols de capçal rodó amb hexàgon (núm. 19), volanderes planes (núm. 20) i femelles de niló (núm. 21).
- Munteu 2 coixins (núm. 3) a l'estabilitzador davanter (núm. 2) i 1 coixí al marc principal (núm. 1).
- Munteu l'estabilitzador frontal (núm. 2) al marc principal (núm. 1) amb 3 cargols de capçal rodó amb hexagonal forat (núm. 22), 2 volanderes arquejades (núm. 23) i 1 volandera plana (núm. 20).

PAS 3
- Munteu la roda de transport (núm. 18) a l'estabilitzador davanter (núm. 2) amb 2 cargols de capçal rodó amb hexàgon (núm. 19), volanderes planes (núm. 20) i femelles de niló (núm. 21).
- Munteu 2 coixins (núm. 3) a l'estabilitzador davanter (núm. 2) i 1 coixí al marc principal (núm. 1).
- Munteu l'estabilitzador frontal (núm. 2) al marc principal (núm. 1) amb 3 cargols de capçal rodó amb hexagonal forat (núm. 22), 2 volanderes arquejades (núm. 23) i 1 volandera plana (núm. 20).

PAS 4
Munteu el pedal UR (núm. 9) al marc principal (núm. 1) amb 4 cargols de capçal rodó amb hexagonal forat (núm. 33).

PAS 5
- Munteu l'estabilitzador posterior (núm. 11) al rail lliscant (núm. 10) amb 2 cargols de capçal rodó amb hexagonal forat (núm. 22) i 2 volanderes planes (núm. 20). No els estrenyeu completament en aquest pas.
- Munteu el tap del tub (núm. 12) i la placa de fixació (núm. 13) al carril lliscant (núm. 10) amb 4 cargols de capçal rodó amb hexagonal forat (núm. 22) i 4 volanderes planes (núm. 20).
- Estrenyeu completament els 2 cargols de capçal rodó amb hexagons (núm. 22) al pas 5.1.
- Munteu els coixins (núm. 3) a l'estabilitzador posterior (núm. 11).
- Inseriu el seient (núm. 14) al rail lliscant (núm. 10).

PAS 6
Munteu la coberta decorativa (núm. 16) i el rail lliscant (núm. 10) al marc principal (núm. 1) amb 6 cargols de capçal rodó amb capçal hexagonal (núm. 22) i 6 volanderes planes (núm. 20). Instal·lació completada.

MÈTODE D'EMMAGATZEMATGE

INSTRUCCIONS DE FORMACIÓ
Utilitza aquesta màquina de rem t'ajudarà a construir la teva forma i enfortir el teu cos, a més amb una alimentació saludable t'ajudarà a perdre pes.
- ESCALFAMENT STAGE
L'escalfament pot ajudar a reduir el risc de cramps o dany muscular. Es recomana l'exercici d'estirament tal com es mostra a continuació. Cada estirament ha de ser d'uns 30 segons. Si us plau, procediu a estirar segons la vostra condició corporal. Si us sentiu dolorós, atureu-vos.
- EXERCICI STAGE
Cal un esforç. El teu cos serà més flexible després de fer exercici regularment durant un període. És molt important fer exercici amb la vostra pròpia cadència constant i acceptable. La intensitat de l'exercici ha de permetre assolir el rang de freqüència cardíaca objectiu. Consulteu la imatge de l'esquerra, cerqueu el vostre grup d'edat a la coordenada x i, a continuació, amunt per trobar el vostre rang de freqüència cardíaca objectiu.
Es recomana que la freqüència cardíaca objectiu duri almenys 12 minuts per assolir l'objectiu d'exercici. Es recomana fer exercici +/- segons la condició del vostre cos. Es recomana augmentar la intensitat gradualment.
- CALMA STAGE
Després de l'exercici, repetim els estiraments com fem a l'escalfamenttage. Pot ajudar a relaxar el teu cos. Es recomana que duri uns 5 minuts. Si us plau, feu l'estirament segons l'estat del vostre cos. No forçar el múscul.
Després d'adoptar la intensitat de l'entrenament, es recomana entrenar almenys 3 vegades per setmana. - EN FORMA
Es requereix una certa intensitat d'entrenament. Significa pressió sobre el múscul de la cama. Si us plau, feu tot el possible per fer exercici amb la intensitat que el vostre cos pugui suportar. Mantingueu la vostra freqüència cardíaca a la zona objectiu i feu estiraments després de l'entrenament. - PERDRE DE PES
Els factors importants són la freqüència i la intensitat de l'exercici. Treballa més, crema més calories. Volem millorar la nostra salut formant-nos. La diferència és l'objectiu de l'entrenament.
INSTRUCCIÓ DEL MONITOR
- VISUALITZACIÓ DE DADES
- TEMPS
El temps d'entrenament. Pot comptar ascendent o descendent després d'establir un objectiu.* - COMPTE
Els cops que has fet. Pot comptar ascendent o descendent després d'establir un objectiu.* - DISTÀNCIA
La distància recorreguda. Pot comptar ascendent o descendent després d'establir un objectiu.* - CAL
Les calories cremades. Puc comptar a l'alça o endarrere després que hagis establert un objectiu.* - SPM
Traços per minut.
- TEMPS
- INSTRUCCIONS GENERALS DELS BOTONS
MODE
1. Premeu per alternar entre el mode SCAN i la visualització contínua individual de cada punt de dades.*
2. Premeu i manteniu premut per posar a zero totes les dades.
SET
Premeu per augmentar/disminuir els valors objectiu de l'exercici.*
RESET Premeu per restablir els valors objectiu de l'exercici.* * Per a més detalls, consulteu «3. La lògica de visualització del monitor i dues maneres d'inici».
- LA LÒGICA DE LA VISUALITZACIÓ DE DADES I DUES MANERES D'INICI
- Lògica de visualització de dades
El monitor s'encendrà en començar l'exercici o en prémer qualsevol botó i entrarà automàticament al mode SCAN. En aquest moment, "SCAN" parpellejarà al costat esquerre. Mostrarà el temps, el recompte, la distància, les calories i les velocitats per minut seqüencialment cada pocs segons. Si premeu la tecla MODE mentre esteu en mode SCAN, sortireu del mode SCAN i mostrareu les dades seleccionades actualment de manera contínua. Si premeu la tecla MODE de nou, el monitor mostrarà seqüencialment les dades següents fins que torni al mode SCAN i entri en un altre cicle. - Dues maneres d'iniciar-se
Podeu començar a remar directament per encendre el monitor i deixar que les dades comptin. O podeu prémer qualsevol botó per iniciar el monitor i després definir el temps, el recompte, la distància i les calories objectiu abans de començar. Per definir els valors objectiu, premeu la tecla MODE per sortir del mode SCAN i deixar que es mostrin certes dades contínuament. Quan el monitor mostra el temps, el recompte, la distància o les calories contínuament, si premeu la tecla AMUNT/AVALL, podeu augmentar/disminuir el valor objectiu. Si premeu la tecla Reinicial, podeu posar a zero les dades que esteu definint. Podeu definir el temps, el recompte, la distància i les calories objectiu junts o individualment. Els valors objectiu que definiu comptaran enrere fins a zero després de començar a remar.
NOTA- Si el símbol de la bateria s'il·lumina a la pantalla o el contingut que es mostra s'esvaeix, substituïu la bateria.
- El monitor s'apagarà automàticament si no es rep cap senyal al cap de 2 minuts.
- Quan deixeu de fer exercici durant 4 segons, la pantalla deixarà de calcular i apareixerà "STOP" a la pantalla. Quan continueu fent exercici, la pantalla començarà a calcular automàticament i "STOP" desapareixerà.
- Lògica de visualització de dades
ESPECIFICACIONS
|
FUNCIÓ |
ESCANEAR | Cada 6 segons |
| TEMPS | 0:00-99:59 | |
| COMPTE | 0-9999 cops | |
| DISTÀNCIA | 0.00-99.99 milles o 0-9999 metres | |
| CALÒRIES | 0-9999 cal | |
| SPM | 0-999 cops/min | |
| TIPUS DE PILA | 2 unitats de MIDA -AA o UM-3 | |
| TEMPERATURA DE FUNCIONAMENT | 0°C – +40°C | |
| TEMPERATURA D'EMMAGATZEMATGE | -10°C – +60°C | |
APP
- Cerqueu "KINOMAP" a la botiga d'aplicacions mòbils per descarregar l'aplicació.

- Si us plau, escaneja el codi QR per obtenir instruccions de connexió Bluetooth.

AVÍS FCC
Aquest dispositiu compleix la part 15 de les normes de la FCC. El funcionament està subjecte a les dues condicions següents: (1) aquest dispositiu no pot causar interferències perjudicials i (2) aquest dispositiu ha d'acceptar qualsevol interferència rebuda, incloses les interferències que puguin provocar un funcionament no desitjat. Els canvis o modificacions no aprovats expressament per la part responsable del compliment poden anul·lar l'autoritat de l'usuari per fer servir l'equip.
NOTA: Aquest equip ha estat provat i s'ha comprovat que compleix amb els límits per a un dispositiu digital de classe B, d'acord amb la Part 15 de les normes de la FCC. Aquests límits estan dissenyats per proporcionar una protecció raonable contra interferències nocives en una instal·lació residencial. Aquest equip genera, utilitza i pot irradiar energia de radiofreqüència i, si no s'instal·la i s'utilitza d'acord amb les instruccions, pot causar interferències nocives a les comunicacions per ràdio. Tanmateix, no hi ha cap garantia que no es produeixin interferències en una instal·lació en particular.
Si aquest equip causa interferències perjudicials a la recepció de ràdio o televisió, cosa que es pot determinar encenent i apagant l'equip, es recomana a l'usuari que intenti corregir les interferències mitjançant una o més de les mesures següents:
- Reorienta o reubica l'antena receptora.
- Augmentar la separació entre l'equip i el receptor
- Connecteu l'equip a una presa d'un circuit diferent d'aquell al qual està connectat el receptor.
- Consulteu el distribuïdor o un tècnic de ràdio/TV amb experiència per obtenir ajuda
Declaració d'exposició a RF
Per mantenir el compliment de les directrius d'exposició a RF de la FCC, aquest equip s'ha d'instal·lar i fer funcionar amb una distància mínima de 20 cm del radiador al seu cos. Aquest dispositiu i les seves antenes no s'han de col·locar ni funcionar juntament amb cap altre transmissor d'antena núm.
DECLARACIÓ ISED CANADÀ:
Aquest dispositiu conté transmissors/receptors/exempts de llicència que compleixen els RSS exempts de llicència d'Innovation Science and Economic Development Canada. El funcionament està subjecte a les dues condicions següents:
- Aquest dispositiu no pot causar interferències i
- Aquest dispositiu ha d'acceptar qualsevol interferència, incloses les interferències que puguin provocar un funcionament no desitjat del dispositiu.
Exposició a la radiació: Aquest equip compleix amb la radiació del Canadà
límits d'exposició establerts per a un entorn no controlat. Per mantenir el compliment de les directrius d'exposició a radiofreqüència de l'IC,
Aquest equip s'ha d'instal·lar i utilitzar amb una distància mínima de 20 cm del radiador del cos. Aquest dispositiu i la seva(es) antena(es) no s'han de col·locar ni funcionar juntament amb cap altra antena o transmissor.

NING BO RUI QI SHANG MAO YOU XIAN GONG SI
Telèfon: 1-888-828-2521
Correu electrònic: suport@botorrofi.com
Documents/Recursos
![]() |
Màquina de rem BOTORRO RSPRO [pdfManual d'usuari RSPRO, Màquina de rem RSPRO, Màquina de rem, Màquina |

8•20·1 s
